公司簡介
企業文化
經營歷程
人才招聘
PCB接線端子
柵板式端子及其他
線路板連接器
卓能重載連接器
金筆家電燈飾配件
公司新聞
行業動態
常見問題
插拔式接線端子-插頭
插拔式接線端子-插座
印刷電路板式端子
變壓器端子
穿墻式端子
柵板式端子
導軌式端子
中繼端子
電子外殼
其他
結構C
結構C/2
結構C/3
結構B
結構B/2
結構Q
結構Q/2
結構R
結構R/2
結構F
結構H15
I/O連接器
板間連接器
重載連接器插頭
重載連接器插座
閉端端子
端子臺
彈簧螺式接線頭
插線式接線頭
線扣/護線套
上海置恒電氣有限公司
地址:上海市普陀區同普路299弄3號樓1501
郵箱:sales02@zndlj-china.com
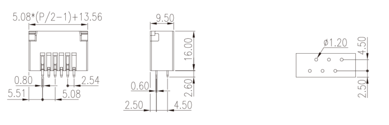
系列:插拔式端子插座
廠商:町洋
型號:0225-77XX
間距:5.08mm
位數:04P~40P
咨詢熱線:150-2119-1820
掃一掃 關注微信公眾號
Copyright ? 上海置恒電氣有限公司 備案號:滬ICP備05043350號-2 |滬公網安備31010702007839
主營產品有: PCB接線端子 、柵板式接線端子 、線路板連接器 、重載連接器等 、網站地圖
熱線電話
150-2119-1820
上班時間
8:30--17:00